Zacisk kolankowy poziomy ESD 0,25 kN, rozmiar 0, śruba M4 x 25, 6830 ESD AMF
- Kompaktowy zacisk ESD w rozmiarze 0 z siłą 0,25 kN. Do precyzyjnego mocowania elektroniki w strefach EPA. Śruba M4 × 25 w zestawie.
Zacisk kolankowy poziomy ESD AMF 562488 – rozmiar 0, 0,25 kN, śruba M4×25
Zacisk kolankowy poziomy AMF 562488 to kompaktowe i precyzyjne rozwiązanie mocujące przeznaczone do użytku w strefach EPA (Electrostatic Protected Area), zgodnie z normą DIN EN 61340-5-1. Dzięki właściwościom ESD, narzędzie idealnie nadaje się do pracy z wrażliwymi komponentami elektronicznymi i urządzeniami podatnymi na wyładowania elektrostatyczne.
Model w rozmiarze 0 posiada otwarte ramię dociskowe oraz poziomą stopę mocującą. Został wyposażony w ocynkowaną, ulepszaną cieplnie śrubę dociskową M4 × 25 z zabezpieczeniem przed wypadnięciem. Korpus z ocynkowanej i pasywowanej stali, a ergonomiczna rękojeść z tworzywa ESD jest odporna na oleje i posiada miękkie komponenty zwiększające komfort pracy.
Cechy i korzyści
- Ochrona ESD: zgodność z DIN EN 61340-5-1 – bezpieczna praca z komponentami elektronicznymi
- Kompaktowy rozmiar: idealny do precyzyjnych i delikatnych operacji w elektronice
- Rękojeść ESD: ergonomiczna, olejoodporna, z miękkimi elementami i nasadką ochronną
- Trwała konstrukcja: stal ocynkowana, fabryczne smarowanie, nity nierdzewne
- Bezpieczne mocowanie: śruba dociskowa z blokadą przed zgubieniem
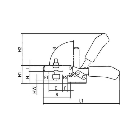
Dane techniczne
- Rozmiar: 0
- Gwint śruby: M4 × 25
- Siła mocowania (F1): 0,25 kN
- Siła oporu (F2): 0,4 kN
- Kąt otwarcia ramienia: 90°
- Waga: 35 g
- W komplecie z ulepszaną cieplnie, ocynkowaną śrubą dociskową
Zastosowanie
- Strefy EPA: mocowanie delikatnych detali w środowiskach chronionych przed ESD
- Elektronika i montaż SMD: idealny do mocowania płytek PCB i układów scalonych
- Stanowiska serwisowe: bezpieczna i ergonomiczna praca z komponentami elektronicznymi
- Testowanie i kontrola jakości: pewne unieruchamianie elementów wrażliwych na ładunki
Marka
Podmiot odpowiedzialny za ten produkt na terenie UE
AMF ANDREAS MAIERWięcej
Adres:
Waiblinger Str. 116Kod pocztowy: 70734Miasto: FellbachKraj: NiemcyNumer telefonu: 49 711 5766-0Adres email: amf@amf.de
Symbol
8238140000
Kod producenta
4020772023911
Kod EAN
4020772023911
Kod producenta
562488
Dane techniczne
Rozmiar
0
F1
0,25 kN
F2
0,4 kN
Śruba dociskowa
M4 x 25
Waga
35 g
a
4
b
28
c
11,5–15,5
D
4,6
e
9
f
5,5
h
14,5
H1
23
HW min.
-5,5
HW maks.
0
i
7,5
k
6,3
l1
79
m
16
M 1
–
N
25
P
25,5
alpha
90°
Zakres dostawy
Zakres dostawy
1 szt.
Dane logistyczne
Długość [mm]
140
Szerokość [mm]
85
Wysokość [mm]
25
Objętość [dm3]
0.298
Waga [kg]
0.04
Zapytaj o produkt
Napisz swoją opinię











