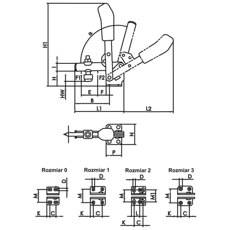
- Zacisk kolankowy ESD rozmiar 2 z siłą 0,8 kN. Rękojeść z materiału ESD, nity nierdzewne, śruba M6 zabezpieczona przed wypadnięciem.
Zacisk kolankowy pionowy ESD AMF 562486 – rozmiar 2, 0,8 kN, uchwyt antystatyczny
Zacisk szybkomocujący pionowy AMF 562486 to profesjonalne rozwiązanie mocujące przeznaczone do pracy w strefach chronionych przed wyładowaniami elektrostatycznymi (EPA), zgodnie z normą DIN EN 61340-5-1. Wersja ESD została wyposażona w antystatyczną rękojeść, co chroni wrażliwe komponenty elektroniczne przed uszkodzeniem.
Model ten posiada otwarte ramię dociskowe i poziomą stopę montażową oraz śrubę dociskową M6 × 35, zabezpieczoną przed wypadnięciem. Korpus wykonano z ocynkowanej i pasywowanej stali, a nity ze stali nierdzewnej pracują w tulejach utwardzanych dyfuzyjnie. Rękojeść z olejoodpornego tworzywa ESD jest ergonomiczna, zapewnia wygodę użytkowania i pewny chwyt, a miękkie komponenty i nasadka ochronna zwiększają bezpieczeństwo operatora.
Cechy i korzyści
- Właściwości ESD: zgodność z normą DIN EN 61340-5-1, ochrona wrażliwych komponentów
- Ergonomiczna rękojeść: duża powierzchnia przylegania, komponenty soft-touch, nasadka ochronna
- Stabilna konstrukcja: korpus ze stali ocynkowanej, nity nierdzewne, smarowane punkty przegubowe
- Bezpieczne mocowanie: śruba dociskowa zabezpieczona przed zgubieniem
- Regulowany kąt otwarcia: 105° (zmienny dzięki kołkowi oporowemu)
Dane techniczne
- Rozmiar: 2
- Gwint śruby: M6 × 35
- Siła mocowania (F1): 0,8 kN
- Siła oporu (F2): 1,2 kN
- Kąt otwarcia ramienia: 105° (regulowany)
- Waga: 175 g
- W komplecie z ulepszaną cieplnie, ocynkowaną śrubą dociskową
Zastosowanie
- Strefy EPA: bezpieczne mocowanie detali w środowiskach z kontrolą ESD
- Produkcja i montaż elektroniki: chroni wrażliwe układy przed wyładowaniami elektrostatycznymi
- Linie serwisowe: szybkie i stabilne mocowanie podzespołów
- Stanowiska testowe: bezpieczna praca z komponentami zgodnie z normą ESD





