- Zacisk ESD rozmiar 1 z siłą 0,6 kN, do elektroniki wrażliwej na wyładowania. Rękojeść ESD z komponentami soft-touch, śruba M5 × 30.
Zacisk kolankowy pionowy ESD AMF 562484 – rozmiar 1, 0,6 kN, uchwyt antystatyczny
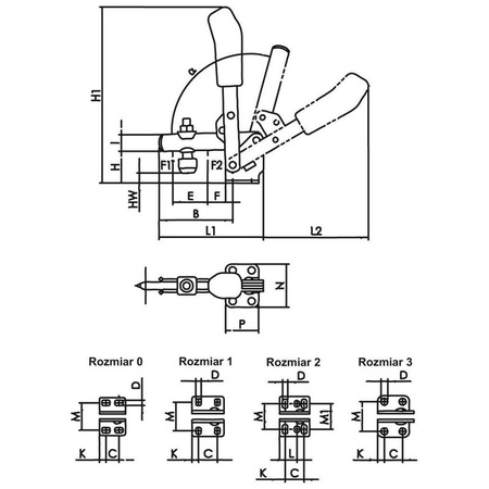
Zacisk szybkomocujący pionowy AMF 562484 to precyzyjny element mocujący przeznaczony do pracy w strefach EPA (Electrostatic Protected Area), zgodnie z normą DIN EN 61340-5-1. Wyposażony w antystatyczną rękojeść ESD, stanowi bezpieczne narzędzie do montażu i serwisu urządzeń wrażliwych na wyładowania elektrostatyczne.
Zacisk posiada otwarte ramię dociskowe z poziomą stopą montażową oraz śrubę dociskową M5 × 30, zabezpieczoną przed przypadkowym wypadnięciem. Całość wykonano z ocynkowanej i pasywowanej stali, z łożyskowanymi punktami przegubowymi i nitami ze stali nierdzewnej. Rękojeść z olejoodpornego tworzywa sztucznego ESD zapewnia pewny i wygodny chwyt, a nasadka ochronna i miękkie komponenty zwiększają komfort i bezpieczeństwo użytkowania.
Cechy i korzyści
- Ochrona ESD: zgodność z normą DIN EN 61340-5-1, bezpieczne dla elementów elektronicznych
- Ergonomiczna rękojeść: duża powierzchnia kontaktu, miękkie elementy i nasadka ochronna
- Bezpieczna konstrukcja: śruba dociskowa z blokadą przed zgubieniem, ochrona palców
- Trwałość i precyzja: elementy ze stali nierdzewnej, tuleje łożyskowe utwardzane dyfuzyjnie
- Regulowany kąt otwarcia: możliwość zmiany kąta przez wciśnięcie kołka oporowego
Dane techniczne
- Rozmiar: 1
- Gwint śruby: M5 × 30
- Siła mocowania (F1): 0,6 kN
- Siła oporu (F2): 1,1 kN
- Kąt otwarcia ramienia: 95° (możliwa zmiana kąta)
- Waga: 105 g
- W komplecie z ulepszaną cieplnie, ocynkowaną śrubą dociskową
Zastosowanie
- Strefy EPA: bezpieczne mocowanie w środowiskach chronionych przed wyładowaniami elektrostatycznymi
- Montaż elektroniki: idealny do pracy z płytami PCB i podzespołami wrażliwymi na ESD
- Stanowiska serwisowe: szybkie i bezpieczne unieruchamianie drobnych komponentów
- Przemysł precyzyjny: zastosowanie w montażu i testowaniu urządzeń elektronicznych





