- Zacisk dźwigniowy push-pull ESD, rozmiar 2, z gwintem M16×1,5 i śrubą M6×25. Mechanizm push-pull umożliwia szybkie mocowanie detali w strefach EPA.
Zacisk dźwigniowy push-pull ESD AMF 6840, rozmiar 2, M6×25, bez podstawy kątowej
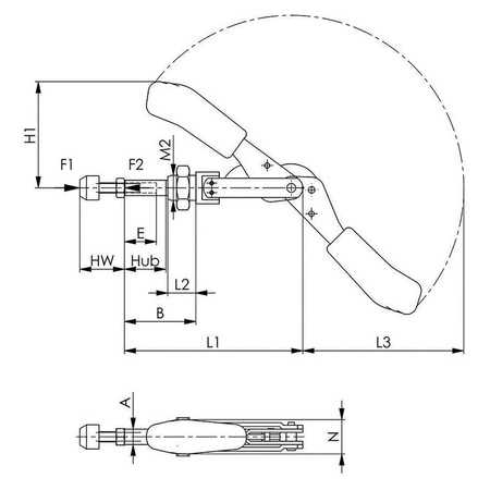
Zacisk dźwigniowy ESD AMF 6840 w rozmiarze 2 to solidne i precyzyjne narzędzie mocujące typu push-pull, przeznaczone do pracy w strefach chronionych przed wyładowaniami elektrostatycznymi (EPA), zgodnie z normą DIN EN 61340-5-1. Znajduje zastosowanie przy montażu i serwisie komponentów wrażliwych na ESD, takich jak układy elektroniczne czy precyzyjne moduły pomiarowe.
Model 562494 posiada gwint montażowy M16×1,5 oraz długie prowadzenie pręta z nakrętką, umożliwiające bezpośrednie mocowanie w płytach montażowych lub przyrządach. Mechanizm push-pull zapewnia szybkie i niezawodne zaciskanie oraz zwalnianie jednym ruchem dźwigni.
Stalowa konstrukcja jest hartowana, ocynkowana i pasywowana, a wszystkie nity wykonano ze stali nierdzewnej. Rękojeść z tworzywa elektrostatycznie rozpraszającego jest ergonomiczna, odporna na oleje i wyposażona w ochronną nasadkę. W komplecie znajduje się śruba dociskowa M6×25.
Cechy i korzyści
- Bezpieczna praca w strefach ESD: spełnia wymagania DIN EN 61340-5-1
- Duża siła mocowania: F1 i F2 na poziomie 2 kN dla stabilnego unieruchomienia
- Trzpień M16×1,5: umożliwia sztywny montaż w przyrządach lub konstrukcjach pionowych
- Intuicyjny mechanizm push-pull: szybkie zaciskanie i zwalnianie jednym ruchem
- Rękojeść ESD: ergonomiczna, odporna na oleje, z właściwościami rozpraszającymi ładunki
Dane techniczne
- Rozmiar: 2
- Śruba dociskowa: M6 × 25
- Gwint mocujący: M16 × 1,5
- Siła zacisku (F1): 2 kN
- Siła oporu (F2): 2 kN
- Skok: 26 mm
- Waga: 130 g
Zastosowanie
- Przemysł elektroniczny: bezpieczne mocowanie płyt PCB i podzespołów
- Strefy EPA: praca z elementami czułymi na wyładowania elektrostatyczne
- Przyrządy montażowe: łatwa instalacja w płytach pionowych i poziomych
- Serwis i testowanie: stabilizacja urządzeń i komponentów podczas diagnostyki





