Śruba zaciskowa do zacisków push-pull AMF z nasadką ochronną M8 x 35, rozmiar 3, 6880 ESD AMF
- Śruba dociskowa AMF ESD M8×35, rozmiar 3. Długość całkowita 48 mm, stal 8.8, nasadka ochronna, nakrętka i podkładka w zestawie.
Śruba zaciskowa ESD AMF 6880, M8×35, z nasadką ochronną, rozmiar 3
Śruba dociskowa AMF 6880 ESD w rozmiarze 3 to specjalistyczny element przeznaczony do zastosowania w systemach mocujących typu push-pull, w środowiskach wymagających ochrony przed wyładowaniami elektrostatycznymi (EPA).
Wykonana z hartowanej, ocynkowanej i pasywowanej stali o klasie wytrzymałości 8.8, gwarantuje stabilne i pewne mocowanie nawet przy intensywnym użytkowaniu. Wyposażona w zdejmowaną nasadkę ochronną z materiału rozpraszającego ładunki elektrostatyczne oraz nakrętkę z podkładką, umożliwia bezpieczną pracę z komponentami wrażliwymi na ESD.
Cechy i korzyści
- Ochrona ESD: zgodność z normą DIN EN 61340-5-1
- Wysoka trwałość: stal klasy 8.8 zapewnia długą żywotność
- Bezpieczne mocowanie: nasadka ochronna rozprasza ładunki elektrostatyczne
- Kompletność: w zestawie nakrętka z podkładką
- Precyzja: idealna do docisków typu push-pull z otwartym ramieniem
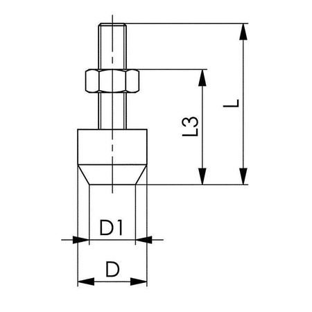
Dane techniczne
- Rozmiar: 3
- Gwint × długość: M8 × 35
- Średnica nasadki (D): 19 mm
- Średnica trzpienia (d1): 13 mm
- Długość całkowita (l): 48 mm
- Zakres L3: 22–35 mm
- Waga: 26 g
- Klasa wytrzymałości: 8.8
Zastosowanie
- Strefy EPA: chroni przed uszkodzeniem wrażliwych komponentów elektronicznych
- Zaciski push-pull: przeznaczona do zacisków dźwigniowych z otwartym ramieniem
- Branża elektroniczna: idealna do precyzyjnych aplikacji montażowych
- Linie produkcyjne i serwisowe: zapewnia niezawodne mocowanie w strefach ESD
Marka
Podmiot odpowiedzialny za ten produkt na terenie UE
AMF ANDREAS MAIERWięcej
Adres:
Waiblinger Str. 116Kod pocztowy: 70734Miasto: FellbachKraj: NiemcyNumer telefonu: 49 711 5766-0Adres email: amf@amf.de
Symbol
8238270005
Kod producenta
4020772024093
Kod EAN
4020772024093
Kod producenta
562604
Dane techniczne
wielkość
3
Wlk. x dł.
M8 x 35
D
19 mm
d1
13 mm
l
48 mm
L3
22–35 mm
Waga
26 g
Zakres dostawy
Zakres dostawy
1 szt.
Dane logistyczne
Długość [mm]
100
Szerokość [mm]
80
Wysokość [mm]
17
Objętość [dm3]
0.136
Waga [kg]
0.026
Zapytaj o produkt
Napisz swoją opinię





